VSH Super kniekoppeling 90° met ontluchting (2 x knel)
VSH Super kniekoppeling 90° met ontluchting (2 x knel) Ø22x22mm S1251
Artikelnummer: 0863951
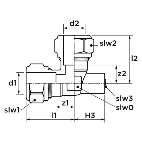
VSH Super kniekoppeling 90° met ontluchting (2 x knel) Ø22x22mm S1251, fitting met 2 aansluitingen 1-delig, lengte 65mm, bocht, uitwendige buisdiameter aansluiting 22mm, nom. diameter aansluiting 1 DN 20, aansluiting 1 messing, uitwendige buisdiameter aansluiting 22mm, aansluiting 1 knelring, nom. diameter aansluiting 2 DN 20, aansluiting 2 knelring
- Meerdere buistypes op één fitting (koper, RVS & staalverzinkt buis)
- Dezelfde fitting toepassingen voor water en gas
- Eenvoudige installatie met standaard gereedschap
- Snelle verbindingstechnologie waarbij her- montage mogelijk is
De VSH Super S1251 is een 90° kniekoppeling met 2 knel aansluitingen, voorzien van ontluchting. VSH Super biedt een groot assortiment fittingen voor elke toepassing, ontworpen voor optimaal installatie gemak. Eenvoudige installatie en hoge kwaliteit zijn de topprioriteiten van het VSH Super-assortiment.
Artikelnummer: 0863951









Beoordelingen
Er zijn nog geen beoordelingen.